1應用
TX3351-GP/AP表壓/絕壓遠傳變送器的膜盒是用于防止管道內介質直接進入變送器的壓力傳感器組件中,它與變送器之間采用硅油等填充液傳遞壓力。
TX3351-GP/AP表壓/絕壓遠傳變送器用于測量液體、氣體或蒸汽的液位、密度、壓力,然后將其轉變成4~20mADC HART電流信號輸出。TX3351-GP/AP也可與RST375手持終端或RSM100 Modem 相互通信,通過它們進行參數設定、過程監控等。TX3351-GP/AP表壓/絕壓遠傳變送器的測量范圍(未遷移時)為0-6kPa~25MPa,遠傳法蘭的額定壓力分別為:1.6/4MPa、6.4MPa、10MPa、150psi、300psi或600psi。
2工作原理與結構
TX3351-GP/AP表壓/絕壓遠傳變送器結構上由TX3351-GP/AP系列表壓/絕壓變送器和經焊接安裝的帶毛細管遠傳法蘭組成。其工作原理與TX3351-GP/AP系列表壓/絕壓變送器相同(參見TX3351-GP/AP系列表壓/絕壓系列變送器技術規格書),只是壓力傳遞路徑略有不同:作用在遠傳法蘭側的壓力,首先經遠傳法蘭上的膜片和填充液,再經毛細管,*后到達測量傳感器的測量端。
3輸入
測量參數:表壓、絕壓、液位
測量范圍
表壓遠傳變送器:
下限值:-100%URL起(連續可調)
上限值:至+100%URL(連續可調)
絕壓遠傳變送器:
下限值:0~100%URL起(連續可調)
上限值:至+100%URL(連續可調)
量程
表1量程代碼與量程范圍關系對照表
|
量程 代碼 | *小量程 | *大量程 | 額定壓力(*大值) |
| C | 6kPa | 40kPa | 液位法蘭的額定壓力 |
| D | 25kPa | 250kPa | |
| F | 30kPa | 3MPa | |
| G | 1MPa | 10MPa | |
| H | 2.1MPa | 21MPa | |
| I | 4MPa | 40MPa | |
| L | 6kPa絕壓 | 40kPa絕壓 | |
| M | 25kPa絕壓 | 250kPa絕壓 | |
| O | 30kPa絕壓 | 3MPa絕壓 |
表2遠傳法蘭與*小量程關系對照表
| 法蘭 | 標稱直徑 | *小/*大量程 | *長毛細管長度 |
| 扁平式 | DN 25/1” | 160kPa/25MPa | 10m |
| DN 50/2” | 10kPa/10MPa | 12m | |
| DN 80/3” | 6kPa/10MPa | 16m | |
| DN 4” | 6kPa/3MPa | 16m | |
| 插入式 | DN 50/2” | 16kPa/10MPa | 10m |
| DN 80/2” | 6kPa/10MPa | 16m | |
| DN 4” | 6kPa/3MPa | 16m | |
|
螺紋安裝 式遠傳 | 外徑109mm | 160kPa/25MPa | 10m |
表壓/絕壓遠傳變送器的*小量程應為表1和表2中*小量程的較大值。調節的量程不得小于*小量程。表壓/絕壓遠傳變送器的*大量程應為變送器本體*大量程與遠傳法蘭額定壓力兩者的*小值。
4輸出
輸出信號
2線制,4~20mADC HART輸出,數字通訊,HART協議加載在4~20mADC信號上。
輸出信號極限:Imin=3.9mA,Imax=20.5mA
報警電流(模式可設置)
低報模式(*?。?.7 mA
高報模式(*大):21 mA
不報模式(保持):保持故障前的有效電流值
報警電流標準設置:高報模式
5響應時間
放大器部件阻尼常數為0.1s;傳感器和遠傳法蘭時間常數為0.2~6s,取決于傳感器的量程、量程比,毛細管的長度,以及充灌液的粘度。附加的可調時間常數為:0.1~60s。
6一般條件
6.1安裝條件
不帶毛細管的表壓/絕壓遠傳變送器可以通過遠傳法蘭直接安裝,位置偏差將產生可校正的零位偏移。電子表殼*大可旋轉360°,定位螺釘可將其固定于任何位置。
表壓/絕壓遠傳法蘭與符合ANSI/DIN標準的配套法蘭相連接,該配套法蘭應配有軟性墊片和安裝固定的螺栓、螺母(用戶可選配安裝螺栓、螺母)。
對于帶毛細管的表壓/絕壓遠傳變送器,如果遠傳密封裝置低于變送器本體,則遠傳密封裝置與變送器本體的*大高度落差應<5m。當工作壓力低于100kPa絕對壓力時,變送器本體須低于遠傳密封裝置。
毛細管的*小彎曲半徑為75mm,嚴禁纏繞!
6.2環境條件
環境溫度
**:取決于填充液
**:85℃
帶液晶顯示、氟橡膠密封圈時 -20~65℃
儲存溫度/運輸溫度
**:取決于填充液
**:85℃
相對濕度:0~100%
抗沖擊
加速度:50g
持續時間:11ms
抗震動
2g至500Hz
電磁兼容性(EMC)
見下頁表4《電磁兼容性附表》
6.3
介質溫度:-30~400℃
表3填充液、工作溫度和*小工作壓力關系表
| 填充液 | 硅油(S) | 高溫硅油(H) | 超高溫硅油(U) | 植物油(V) |
| 密度25℃ | 960kg/m3 | 980kg/m3 | 1020kg/m3 | 937kg/m3 |
| 工作溫度范圍 | -30~200℃ | -10~350℃ | -10~400℃ | 0~250℃ |
| 溫度 | 工作壓力范圍(kPa絕壓) | |||
| 20℃ | >10 | >10 | >10 | >25 |
| 100℃ | >25 | >25 | >25 | >50 |
| 150℃ | >50 | >50 | >50 | >75 |
| 200℃ | >75 | >75 | >75 | >100 |
| 250℃ | >100 | >100 | >100 | |
| 350℃ | >100 | >100 | ||
| 400℃ | >100 | |||
注:超出以上工作溫度和壓力關系范圍的應特別指出,可以通過特殊設計來滿足要求。
變送器本體壓力極限:真空至*大壓力
遠傳法蘭額定壓力:
ANSI標準 :150psi~600psi
DIN標準: PN 1.6MPa~PN 10MPa
重量
DN 50/2”約7~10kg,DN 80/3”約8~11kg,DN 4”約9~12kg。
防爆性能
NEPSI隔爆許可:Ex dⅡC T6
NEPSI本安許可:Ex iaⅡC T4
允許使用溫度為:-40℃~65℃
6.4電源及負載條件
電源電壓為24V
R≤(Us-12V)/Imax kΩ
其中 Imax=23 mA
*大電源電壓:42VDC
*小電源電壓:12VDC,15VDC(背光液晶顯示)
數字通訊負載范圍: 250~600Ω
材質
測量膜盒:不銹鋼 316L
膜片: 不銹鋼 316L、哈氏合金C、鉭
過程法蘭:不銹鋼 304
填充液: 硅油、高溫硅油、超高溫硅油、植物油
變送器外殼:鋁合金材質,外表噴涂環氧樹脂
外殼密封圈:丁腈橡膠(NBR)
銘牌: 不銹鋼 304
電氣連接
M20X1.5電纜密封扣,接線端子適用于0.5~2.5mm2的導線。
過程連接
遠傳法蘭符合ANSI標準或DIN標準??芍苯影惭b,參加尺寸圖。
外殼防護等級:IP67
表4電磁兼容性附表
| 序號 | 測試項目 | 基本標準 | 測試條件 | 性能等級 |
| 1 | 輻射干擾(外殼) | GB/T 9254-2008表5 | 30MHz ~1000MHz | 合格 |
| 2 |
傳導干擾 (直流電源端口) | GB/T 9254-2008表1 | 0.15MHz~30MHz | 合格 |
| 3 | 靜電放電(ESD)抗擾度 | GB/T 17626.2-2006 |
4kV(觸點) 8kV(空氣) | B |
| 4 | 射頻電磁場抗擾度 | GB/T 17626.3-2006 | 10V/m (80MHz~1GHz) | A |
| 5 | 工頻磁場抗擾度 | GB/T 17626.8-2006 | 30A/m | A |
| 6 | 電快速瞬變脈沖群抗擾度 | GB/T 17626.4-2008 | 2kV(5/50ns,5kHz) | B |
| 7 | 浪涌抗擾度 | GB/T 17626.5-2008 |
1kV(線線之間) 2kV(線地之間)(1.2us/50us) | B |
| 8 | 射頻場感應的傳導干擾抗擾度 | GB/T 17626.6-2008 | 3V (150KHz~80MHz) | A |
注:(1)A性能等級說明:測試時,在技術規范極限內性能正常。
(2)B性能等級說明:測試時,功能或性能暫時降低或喪失,但能自行恢復,實際運行狀況、存儲及其數據不改變。
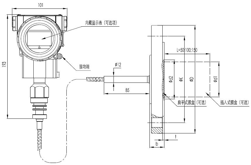
7外形尺寸 單位(mm)
圖1基本型遠傳密封裝置圖(RS型)

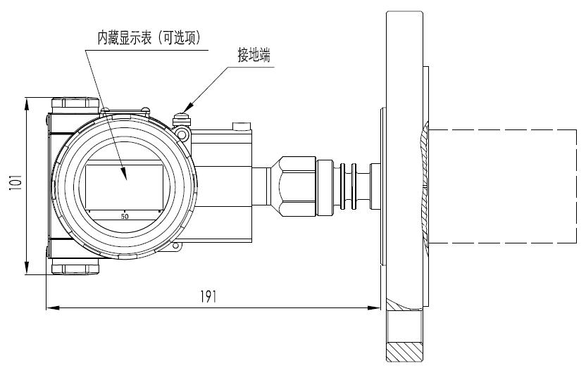
圖2基本型遠傳密封裝置直接安裝式圖(RN型)

表5基本型遠傳密封裝置結構尺寸表
| 標稱直徑 | 額定壓力 | ΦD | ΦK | Φd1 | Φd2 | Φd3 | t | b | 要求螺栓 | |
| 插入式 | 扁平式 | 數量 | 螺紋 | |||||||
| DN 50 | PN1.6/4MPa | 165 | 125 | 48.3 | 57 | 102 | 3+0.5 | 20 | 4 | M16 |
| (密封面DIN 2526E型) | PN 6.4MPa | 18 | 135 | 48.3 | 57 | 102 | 3+0.5 | 26 | 4 | M20 |
| (法蘭 DIN 2501) | PN 10MPa | 195 | 145 | 48.3 | 57 | 102 | 3+0.5 | 28 | 4 | M20 |
| DN 80 | PN1.6/4MPa | 200 | 160 | 76 | 75 | 138 | 3+0.5 | 24 | 8 | M16 |
| (密封面DIN 2526E型) | PN 6.4MPa | 215 | 170 | 76 | 75 | 138 | 3+0.5 | 28 | 8 | M20 |
| (法蘭 DIN 2501) | PN 10MPa | 230 | 180 | 76 | 75 | 138 | 3+0.5 | 32 | 8 | M24 |
|
DN 2" (ANSI B 16.5 RF 型) | 150psi | 152.4 | 120.6 | 48.3 | 57 | 92.1 | 3+0.5 | 17.4 | 4 | M18 |
| 300psi | 165.1 | 127.0 | 48.3 | 57 | 92.1 | 3+0.5 | 20.6 | 8 | M18 | |
| 600psi | 165.1 | 127.0 | 48.3 | 57 | 92.1 | 6.35 | 31.75 | 8 | M18 | |
|
DN 3" (ANSI B 16.5 RF 型) | 150psi | 190.5 | 152.4 | 76 | 75 | 127 | 3+0.5 | 22.2 | 4 | M16 |
| 300psi | 209.5 | 168.3 | 76 | 75 | 127 | 3+0.5 | 27.0 | 8 | M20 | |
| 600psi | 209.5 | 168.3 | 76 | 75 | 127 | 6.35 | 38.05 | 8 | M20 | |
| DN 4“ | 150psi | 229 | 191 | 89 | 89 | 157 | 3+0.5 | 30 | 8 | M18 |
| (ANSI B 16.5 RF 型) | 300psi | 255 | 200 | 89 | 89 | 157 | 3+0.5 | 32 | 8 | M18 |
注:用戶可選配安裝螺栓、螺母。
圖3帶內部膜片的遠傳密封裝置圖(US型)

圖4帶內部膜片的遠傳密封裝置直接安裝式圖(UN型)

表6連接符合DIN 2501標準的帶內部膜片的遠傳密封裝置結構尺寸表
| DN | PN | 尺寸,mm |
重量 kg | |||||||
| D | K | d4 | b | f | H | d2 | G2 | |||
| 25 | 1MPa/4MPa | 115 | 85 | 68 | 22 | 2 | - | 14 | - | 1.5 |
| 25 | 6.3MPa/10MPa | 140 | 100 | 68 | 24 | 2 | 52 | - | 4×M16 | 3.2 |
| 16MPa | 140 | 100 | 68 | 24 | 2 | 52 | - | 4×M16 | 3.6 | |
| 25MPa | 150 | 105 | 68 | 28 | 2 | 96 | - | 4×M20 | 4 | |
表7連接符合ANSI B 16.5標準的帶內部膜片的遠傳密封裝置結構尺寸表
| DN | psi | 尺寸,mm |
重量 kg | |||||||
| D | K | d2 | d4 | b | f | H | G2UNC | |||
| 1" | 150 | 110 | 79.5 | 16 | 51 | 22 | 2 | - | - | 1.4 |
| 300 | 125 | 89 | 20 | 51 | 22 | 2 | - | - | 1.7 | |
| 1" | 600 | 125 | 89 | - | 51 | 25 | 7 | 53 | 4×5/8” | 3.6 |
| 1500 | 150 | 101.5 | - | 51 | 36 | 7 | 64 | 4×7/8” | 4.0 | |
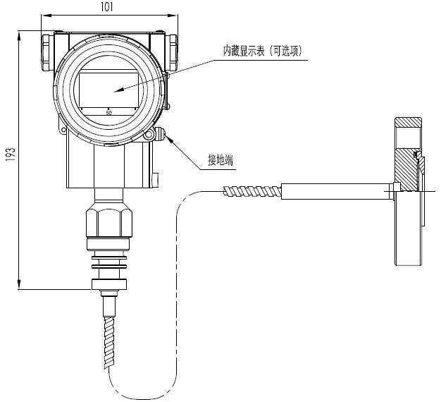
圖5螺紋安裝式遠傳密封裝置圖(TS型)

8 電氣連接
圖6電氣連接圖

注:快捷接口功能等同于信號端子。
9型號和規格代碼表
| 表壓變送器本體選型 TX3351-GP | |||||||||||||||
| 絕壓變送器本體選型 TX3351-AP | |||||||||||||||
| 10 | 輸出 | ||||||||||||||
|
B C |
基本誤差±0.075% 4-20mA帶HART通訊 基本誤差±0.1% 4-20mA帶HART通訊 | ||||||||||||||
| 20 | 量程 | ||||||||||||||
| 表壓TX3351-GP | |||||||||||||||
| C | 0-6kPa~40kPa /(0-600~4000 mmH2O)/(0-60~400mbar) | ||||||||||||||
| D | 0-25kPa~250kPa /(0-2.5~25 mH2O)/(0-250~2500mbar) | ||||||||||||||
| F | 0-30kPa~3MPa /(0-3~300 mH2O)/(0-0.3~30bar) | ||||||||||||||
| G | 0-0.1MPa~10MPa /(0-1~100bar) | ||||||||||||||
| H | 0-0.21MPa~21MPa /(0-2.1~210 bar) | ||||||||||||||
| I | 0-0.4MPa~40MPa /(0-4~400 bar) | ||||||||||||||
| 絕壓 TX3351-AP | |||||||||||||||
| L | 0-10kPa~40kPa /(0-1000~4000 mmH2O)/(0-10~400mbar) | ||||||||||||||
| M | 0-25kPa~250kPa /(0-250~2500mbar) | ||||||||||||||
|
O T |
0-30kPa~3MPa /(0-0.3~30bar) 0-10kPa~40kPa /(0-1000~4000 mmH2O)/(0-10~400mbar)【過載保護至7MPa】 | ||||||||||||||
| 30 | 膜片材質 填充液 | ||||||||||||||
| A | 不銹鋼 316L | 硅油 | |||||||||||||
| 40 | 過程連接 | ||||||||||||||
| R | 遠傳連接 | ||||||||||||||
| 50 | 特殊功能 | ||||||||||||||
| N | 無 | ||||||||||||||
| P | 防雷擊功能 | ||||||||||||||
| 60 | 安裝支架 | ||||||||||||||
| N | 無 | ||||||||||||||
| 1 | 不銹鋼 | ||||||||||||||
| 2 | 碳鋼鍍鋅 | ||||||||||||||
| 70 | 液晶顯示 | ||||||||||||||
| N | 無 | ||||||||||||||
| 2 | LED背光液晶顯示(-20℃) | ||||||||||||||
| 3 | OLED顯示(-40℃) | ||||||||||||||
| 80 | 防爆選項 | ||||||||||||||
| N | 基本型 | ||||||||||||||
| A | 本安型,NEPSI | ||||||||||||||
| D | 隔爆型,NEPSI (不含隔爆電纜接頭) | ||||||||||||||
| 90 | 位號標牌 | ||||||||||||||
| N | 無 | ||||||||||||||
| 1 | 位號標于銘牌內 | ||||||||||||||
| 2 | 懸掛式不銹鋼標牌 | ||||||||||||||
| 100 | 使用說明 | ||||||||||||||
| C | 中文 | ||||||||||||||
| E | 英文 | ||||||||||||||
| 110 | 附加選項 | ||||||||||||||
| S | 不銹鋼表殼 | ||||||||||||||
| V | 低電壓版 | ||||||||||||||
| 1基本型表壓/絕壓遠傳變送器法蘭部分選型 | ||||||||||||||||||||||
| 10 | 基本型表壓/絕壓遠傳密封裝置 | |||||||||||||||||||||
| RN- | 直接安裝式,無毛細管 | |||||||||||||||||||||
| RS- | 帶毛細管 | |||||||||||||||||||||
| 20 | 過程連接 標稱直徑 密封面形式 膜片/密封面材質 | |||||||||||||||||||||
| A | DN50 DIN 2501 E型 DN2526 不銹鋼 316L | |||||||||||||||||||||
| B | DN50 DIN 2501 E型 DN2526 哈氏合金C | |||||||||||||||||||||
| C | DN50 DIN 2501 E型 DN2526 鉭 | |||||||||||||||||||||
| H | DN80 DIN 2501 E型 DN2526 不銹鋼 316L | |||||||||||||||||||||
| I | DN80 DIN 2501 E型 DN2526 哈氏合金C | |||||||||||||||||||||
| G | DN80 DIN 2501 E型 DN2526 鉭 | |||||||||||||||||||||
| D | DN2″ANSI B 16.5 RF型 ANSI B 16.5 不銹鋼 316L | |||||||||||||||||||||
| E | DN2″ANSI B 16.5 RF型 ANSI B 16.5 哈氏合金C | |||||||||||||||||||||
| F | DN2″ANSI B 16.5 RF型 ANSI B 16.5 鉭 | |||||||||||||||||||||
| K | DN3″ANSI B 16.5 RF型 ANSI B 16.5 不銹鋼 316L | |||||||||||||||||||||
| L | DN3″ANSI B 16.5 RF型 ANSI B 16.5 哈氏合金C | |||||||||||||||||||||
| M | DN3″ANSI B 16.5 RF型 ANSI B 16.5 鉭 | |||||||||||||||||||||
| N | DN4″ANSI B 16.5 RF型 ANSI B 16.5 不銹鋼 316L | |||||||||||||||||||||
| O | DN4″ANSI B 16.5 RF型 ANSI B 16.5 哈氏合金C | |||||||||||||||||||||
| P | DN4″ANSI B 16.5 RF型 ANSI B 16.5 鉭 | |||||||||||||||||||||
| Q | DN100 DIN 2501 E型 DN2526 不銹鋼316L | |||||||||||||||||||||
| S | DN100 DIN 2501 E型 DN2526 哈氏合金C | |||||||||||||||||||||
| T | DN100 DIN 2501 E型 DN2526 鉭 | |||||||||||||||||||||
| 30 | 額定壓力 壓力等級 法蘭壓力標準 | |||||||||||||||||||||
| 1 | PN 1MPa/4MPa DIN 2501 | |||||||||||||||||||||
| 2 | PN 6.4MPa DIN 2501 | |||||||||||||||||||||
| 3 | PN 10MPa DIN 2501 | |||||||||||||||||||||
| 6 | 150psi ANSI B 16.5 | |||||||||||||||||||||
| 7 | 300psi ANSI B 16.5 | |||||||||||||||||||||
| 8 | 600psi ANSI B 16.5 | |||||||||||||||||||||
| 40 | 連接形式 | |||||||||||||||||||||
| F | 扁平式 | |||||||||||||||||||||
| H | 插入式 , 不銹鋼 316L 插入長度50mm | |||||||||||||||||||||
| I | 插入式 , 不銹鋼 316L 插入長度100mm | |||||||||||||||||||||
| G | 插入式 , 不銹鋼 316L 插入長度150mm | |||||||||||||||||||||
| L | 插入式 , 哈氏合金C 插入長度50mm | |||||||||||||||||||||
| M | 插入式 , 哈氏合金C 插入長度100mm | |||||||||||||||||||||
| N | 插入式 , 哈氏合金C 插入長度150mm | |||||||||||||||||||||
| 50 | 填充液 | |||||||||||||||||||||
| S | 硅油 -30~200℃ | |||||||||||||||||||||
| H | 高溫硅油 -10~350℃ | |||||||||||||||||||||
| V | 植物油 0~250℃ | |||||||||||||||||||||
| F | 氟油 -30~260℃ | |||||||||||||||||||||
| 60 | 毛細管長度 | |||||||||||||||||||||
| 00 | 無毛細管,直接安裝式 | |||||||||||||||||||||
| 01 | 1m | |||||||||||||||||||||
| 02 | 2m | |||||||||||||||||||||
| 03 | 3m | |||||||||||||||||||||
| 04 | 4m | |||||||||||||||||||||
| 05 | 5m | |||||||||||||||||||||
| 06 | 6m | |||||||||||||||||||||
| 07 | 7m | |||||||||||||||||||||
| 08 | 8m | |||||||||||||||||||||
| 09 | 9m | |||||||||||||||||||||
| 10 | 10m | |||||||||||||||||||||
| 11 | 11m | |||||||||||||||||||||
| 12 | 12m | |||||||||||||||||||||
| … | … | |||||||||||||||||||||
| 70 | 毛細管部件特性 | |||||||||||||||||||||
|
N P |
無 帶PVC保護層毛細管 | |||||||||||||||||||||
| 80 | 接液法蘭膜盒面形式 | |||||||||||||||||||||
| N | 無 | |||||||||||||||||||||
| 1 | 316L上涂FEP(氟化乙烯丙烯共聚物)(溫度≤180℃) | |||||||||||||||||||||
| 2 | 316L上涂PFA(過氟烷基化物)(溫度≤260℃) | |||||||||||||||||||||
| 3 | 膜片貼聚四氟乙烯膜(僅適用扁平式) | |||||||||||||||||||||
| 4 | 316L上涂FEP(氟化乙烯丙烯共聚物)(溫度≤180℃)(僅適用于插入式) | |||||||||||||||||||||
| 5 | 316L上涂PFA(過氟烷基化物)(溫度≤260℃)(僅適用于插入式) | |||||||||||||||||||||
| 6 | 防真空處理 | |||||||||||||||||||||
| 2帶內部膜片的壓力/絕壓遠傳密封裝置選項[6] | |||||||||||||
| 10 | 帶內部膜片的遠傳密封裝置 | ||||||||||||
| UN- | 直接安裝式 無毛細管 | ||||||||||||
| US- | 帶毛細管 | ||||||||||||
| 20 | 過程連接 標稱直徑 密封面形式 密封膜片材質 | ||||||||||||
| U | DN25 DIN 2501 D型 DN2526 不銹鋼316L | ||||||||||||
| V | DN25 DIN 2501 D型 DN2526 哈氏合金C | ||||||||||||
| W | DN25 DIN 2501 D型 DN2526 鉭 | ||||||||||||
| X | DN1″ANSI B 16.5 RF型 ANSI B 16.5 不銹鋼316L | ||||||||||||
| Y | DN1″ANSI B 16.5 RF型 ANSI B 16.5 哈氏合金C | ||||||||||||
| Z | DN1″ANSI B 16.5 RF型 ANSI B 16.5 鉭 | ||||||||||||
| 30 | 額定壓力 壓力等級 法蘭標準 | ||||||||||||
| 1 | PN 1MPa/4MPa DIN 2501 | ||||||||||||
| 2 | PN 6.3MPa/10MPa DIN 2501 | ||||||||||||
| 3 | PN 16MPa DIN 2501 | ||||||||||||
| 4 | PN 25MPa DIN 2501 | ||||||||||||
| 5 | 150Psi ANSI B 16.5 | ||||||||||||
| 6 | 300Psi ANSI B 16.5 | ||||||||||||
| 7 | 600Psi ANSI B 16.5 | ||||||||||||
| 8 | 1500Psi ANSI B 16.5 | ||||||||||||
| 40 | 填充液 | ||||||||||||
| S | 硅油 -30~200℃ | ||||||||||||
| V | 植物油 0~250℃ | ||||||||||||
| 50 | 毛細管長度 | ||||||||||||
| 01 | 1m | ||||||||||||
| 02 | 2m | ||||||||||||
| 03 | 3m | ||||||||||||
| 04 | 4m | ||||||||||||
| 05 | 5m | ||||||||||||
| 06 | 6m | ||||||||||||
| … | … | ||||||||||||
| 60 | 毛細管部件特性 | ||||||||||||
|
N P |
無 帶PVC保護層毛細管 | ||||||||||||
| 70 | 接液法蘭膜盒面形式 | ||||||||||||
| N | 無 | ||||||||||||
| 3 | 膜片貼PTFE膜(聚四氟乙烯)(溫度≤200℃) | ||||||||||||
| 6 | 防真空處理 | ||||||||||||
| 80 | 密封環材質 | ||||||||||||
| 1 | 聚四氟乙烯 PTFE | ||||||||||||
| 2 | 不銹鋼 316 | ||||||||||||
| 3 | 哈氏合金 C | ||||||||||||
| 4 | 鉭 | ||||||||||||
注6:在對帶內部膜片的壓力/絕壓遠傳密封裝置選型時,應先完成TX3351-GP/AP表壓/絕壓變送器的選型,并在TX3351-GP/AP選項表中第40行選R遠傳選項。
| 3螺紋安裝式表壓/絕壓遠傳密封裝置選型[10] | |||||||||||||||
| 10 | 螺紋安裝式表壓/絕壓遠傳密封裝置 | ||||||||||||||
| TS- | 帶毛細管 | ||||||||||||||
| 20 | 膜片/密封面材質 | ||||||||||||||
| U | 不銹鋼 316L | ||||||||||||||
| V | 哈氏合金C | ||||||||||||||
| W | 鉭 | ||||||||||||||
| 30 | 沖洗備用孔 | ||||||||||||||
| 1 | 無 | ||||||||||||||
| 0 | 有 | ||||||||||||||
| 40 | 填充液 | ||||||||||||||
| S | 硅油 -30~200℃ | ||||||||||||||
| H | 高溫硅油 -10~350℃ | ||||||||||||||
| V | 植物油 0~250℃ | ||||||||||||||
| 50 | 毛細管長度 | ||||||||||||||
| 01 | 1m | ||||||||||||||
| 02 | 2m | ||||||||||||||
| 03 | 3m | ||||||||||||||
| 04 | 4m | ||||||||||||||
| 05 | 5m | ||||||||||||||
| 06 | 6m | ||||||||||||||
| 08 | 8m | ||||||||||||||
| … | … | ||||||||||||||
| 60 | 毛細管部件特性 | ||||||||||||||
| N | 無 | ||||||||||||||
| P | 帶PVC保護層毛細管 | ||||||||||||||
| 70 | 接液法蘭膜盒面形式 | ||||||||||||||
| N | 無 | ||||||||||||||
| P | 防真空處理 | ||||||||||||||
注10:在對螺紋安裝式遠傳法蘭密封裝置選型時,應先完成TX3351-GP/AP表壓/絕壓變送器本體部分的選型,并在TX3351-GP/AP選項表中第40行選R遠傳選項。
Copyright 常州天利智能控制股份有限公司 版權所有 蘇ICP備12002763號-10
全國服務電話:0519-85225861-856 ? 傳真:0519-85281591
公司地址:江蘇省常州市新北區孟河鎮郭河工業園